MPIS Smart Agricultural Irrigation Pump Station
SINOSO MPIS smart agricultural irrigation pump station is an IoT-enabled, all-in-one irrigation and drainage system that incorporates automated control, flow metering, video surveillance, and intelligent protection. Designed for flexibility and efficiency, it features a modular, mobile structure that supports remote operation and centralized management. The station adopts a pavilion-style design and is built with innovative, eco-friendly materials. It is available in three standard sizes (2.1×2.1 m, 2.1×4.2 m, and 2.7×2.7 m), with a maximum footprint of less than 10 square meters—making it space-efficient and easy to deploy in various configurations.
Product Features
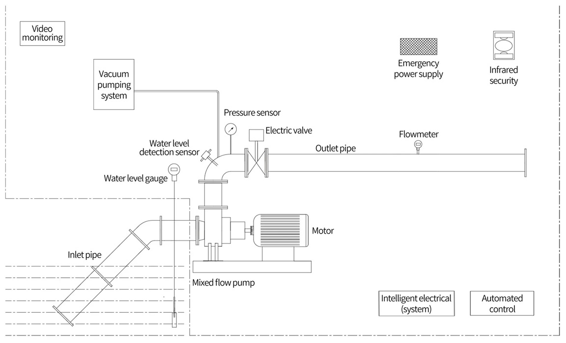
1. Core Technologies
- Process Automation: PLC-controlled adaptive adjustment
- Security System: Dual-channel infrared detection + 1080p video surveillance
- Flow Management: ISO 4064-B certified ultrasonic metering
- Connectivity: MQTT 5.0 & OPC UA industrial protocols
2. Physical Specifications
| Model MPIS-210 |
|
| Dimensions | 2.1m (L) × 2.1m (W) × 2.8m (H) |
| Footprint | 4.41m² |
| Construction | FRP eco-composite |
| Model MPIS-420 |
|
| Dimensions | 4.2m (L) × 2.1m (W) × 2.8m (H) |
| Footprint | 8.82m² |
| Construction | Corrosion-resistant alloy |
| Model MPIS-270 |
|
| Dimensions | 2.7m (L) × 2.7m (W) × 3.1m (H) |
| Footprint | 7.29m² |
| Construction | UV-stabilized polymer |
3. Performance Metrics
- Deployment flexibility: Relocatable in <4 hours (crane-assisted)
- Environmental protection: IP54 rating (IEC 60529 compliant)
- Operational lifespan: >100,000 hours (MTBF certified)
Structure Principle

Style Index

Application Scenarios

SINOSO MPIS smart agricultural irrigation pump is particularly well-suited for modern agricultural irrigation and drainage management.
Why Choose SINOSO
Research Partner

SINOSO is a postgraduate workstation in Jiangsu Province, a research cooperation unit, a research experimental base and a postgraduate training base of China Agricultural University, Nanjing Agricultural University, Hohai University, Jiangsu University, Southwest University of Science and Technology, Jiangsu Academy of Agricultural Sciences, and Nanjing Institute of Agricultural Mechanization of the Ministry of Agriculture and Rural Affairs.




















+86-025-87150950
globalsales@sinosorob.com
+86 18133051944